绵阳安霸印刷机械有限公司
·批發價格(gé)·報價液壓油缸專(zhuan)業生産廠家,提供(gòng)液壓站、VPSWIN❌DOWS另类精品🚩液壓系統(tǒng)解決方案
24小時銷(xiāo)售服務熱線:
18615115678
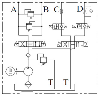
2.液(yè)壓油箱體積:5L
3.液壓(ya)泵排量:1.6cc/r
4.電機功率(lǜ):1.6KW ;DC 12/10V
5.電機轉速:2500r/min
6.功能:雙(shuāng)作用和單作用
7.顔(yá)色:默認紅色/白色(sè)塑料
8.安裝方式:卧(wò)式
9.油箱材料:鐵皮(pi)(1-1,5mm),工程塑料
10.應用場(chang)合: 掃雪

**為電磁換(huàn)向閥電壓

•·•
•