绵阳安霸印刷机械有限公司
·批發價格(ge)·報價液壓油(yóu)缸專業生産(chǎn)廠家,阴影下🔞的秘密全集8❌提供液(yè)壓站、液壓系(xi)統解決方案(àn)
24小時銷售服(fu)務熱線:
18615115678
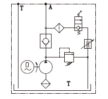
2.液(ye)壓油箱體積(ji):6-12L
3.液壓泵排量(liàng):2.1cc/r
4.電機功率:2.2KW
5.電(diàn)機轉速:2850r/min
6.功能(néng):單作用
7.顔色(sè):默認紅色/塑(sù)料白色
8.安裝(zhuāng)方式:立式
9.油(yóu)箱材料:鐵皮(pí)(1-1,5mm),工程塑料
10.應(ying)用場合: 自動(dong)車輛,汽車,小(xiǎo)型起重機

**為(wéi)電磁換向閥(fa)電壓

•·•
•