绵阳安霸印刷机械有限公司
·批發價格(ge)·報價液壓油(yóu)缸專業生産(chǎn)廠家,提供液(yè)壓站、波野多结❌衣百度影音🚩液壓系(xi)統解決方案(àn)
24小時銷售服(fu)務熱線:
18615115678
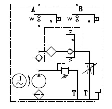
2.液(ye)壓油箱體積(jī):20L
3.液壓泵排量(liang):2.1cc/r
4.電機功率:2.2KW, AC220V
5.電(diàn)機轉速:2850r/min
6.功能(neng):單作用
7.顔色(sè):默認紅色/白(bai)色塑料
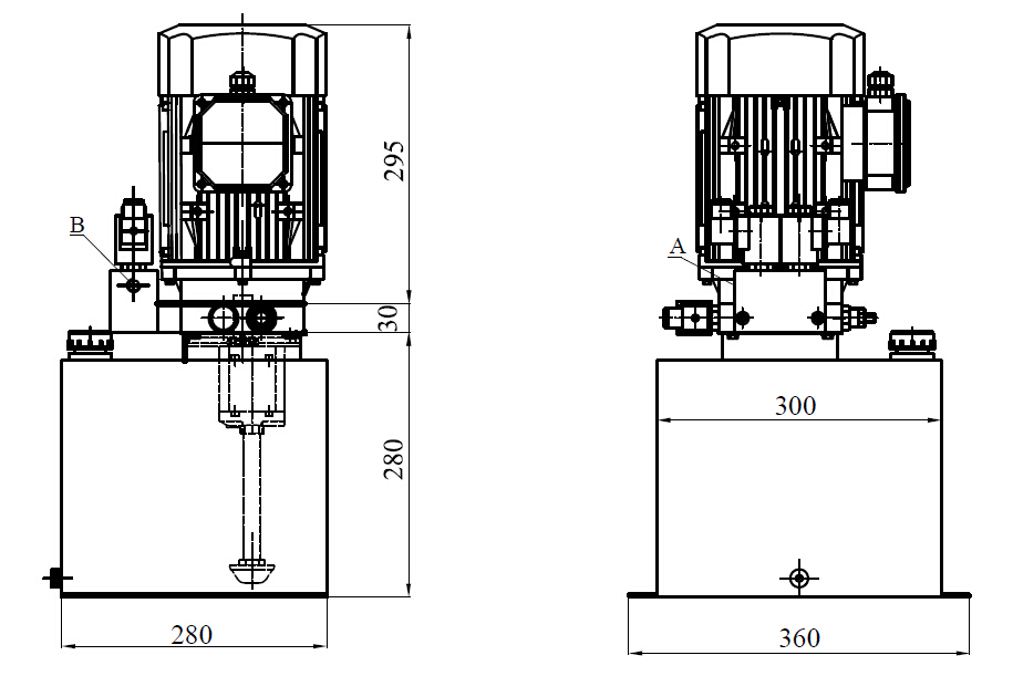
8.安裝(zhuang)方式:立式
9.油(you)箱材料:鐵皮(pí)(1-1,5mm),工程塑料
10.應(ying)用場合: 大型(xíng)車輛的維修(xiu)

**為電磁換向(xiang)閥電壓

•·•
•