绵阳安霸印刷机械有限公司
·批發價格(ge)·報價液壓油(you)缸專業生産(chan)廠家,提供液(ye)壓站、a🔞v小次郎收藏🚩液壓系(xi)統解決方案(an)
24小時銷售服(fu)務熱線:
18615115678廠家品牌(pái):山東國立液(yè)壓
公司模式(shì):生産廠家
銷售批(pi)量:一台
産品(pin)價格:在線報(bào)價
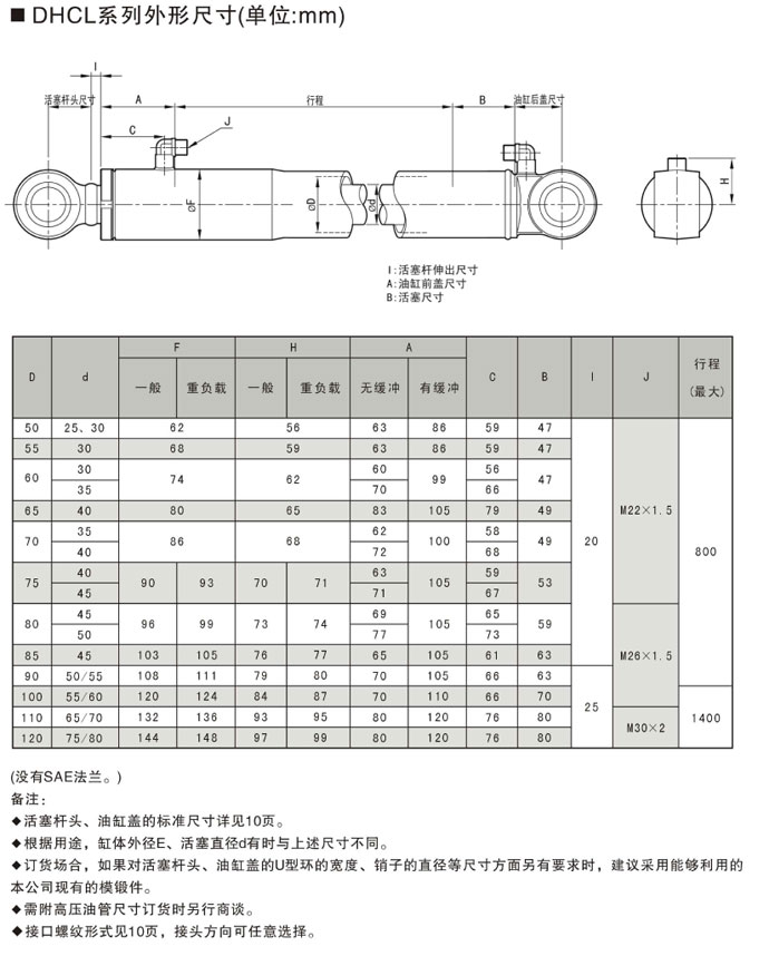
産品簡介(jiè):
銷售區域:江(jiāng)蘇,山東,廣東(dōng),浙江,安徽,河(he)北,河南,四川(chuān),遼甯,湖北,蘇(su)州💔,深圳,杭州(zhou),北京,無錫,成(chéng)都,濟南,鄭州(zhōu),上海,青島❗,蚌(bàng)埠
産品标簽(qiān):


·•·•
•